電動V型球閥
- 閥門型號:VQ947F,VQ947H
- 通徑規格:DN25~DN300
- 結構形式:V型球芯
- 閥體材質:碳鋼WCB、不銹鋼304、316、316L等
- 公稱壓力:PN10、PN16、PN25、PN64
- 適用溫度:-40℃~450℃
- 應用范圍:油品、粘性流體、漿料、含纖維及粉粒狀介質
- 產品特點:剪切功能,使用范圍廣,具有可靠的調節控制能力
電動V型球閥概述:
電動V型球閥是一種球芯為V型結構的高性能V型調節閥,它的V型開口可與閥座流道形成各種不同的V型角度,實現對管路介質各項參數的比例式精準調節。電動V型調節球閥關閉時,V型切口能夠輕松切斷管道內的各種紙漿或纖維等粘稠介質,有效保證管路的流通,又能防止球閥球芯卡死的現象。電動V型球閥調節流量有近似等百分比或者線性的流量特性,V型口角度可定制,滿足更精確的截斷特性和控制功能。

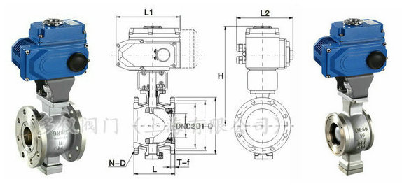
電動法蘭V型球閥 電動對夾式V型球閥
電動V型球閥優點:
【電動V型球閥工作原理動態圖】1、電動V型球閥的V型缺口球芯與金屬閥座之間具有極佳的剪切功能,特別適用于含纖維質流體、微小固體顆粒、料漿類流體等介質的工業管道中做自控調節和切斷控制。
2、電動V型調節閥可調范圍較廣,有近似等百分比或者線性的流量特性,還具有可靠的定位能力。
3、電動V型調節球閥特有的V型閥芯結構改善了傳統球閥的控制性問題,使介質流量通過V型閥芯開口之間的開度得到了更精密的控制。
電動V型調節閥技術參數:
| 公稱通徑 | DN25~DN300(MM) |
| 公稱壓力 | PN1.0、1.6、2.5、6.4MPa |
| 連接形式 | 法蘭、對夾式 |
| 閥芯結構 |
V型缺口閥芯 |
| 動作范圍 | 0-90度 |
| 電源電壓 | AC220V、AC380V、DC24V(其他可定制) |
| 密封材料 | 聚四氟乙烯、金屬硬密封
|
| 開關時間 | 15-60秒(可根據要求定制) |
| 閥體材質 | 碳鋼WCB、不銹鋼304、316、316L等 |
| 適用溫度 |
軟密封:-29~+150℃ 硬密封:-150~+450℃ |
| 作用形式 | 開關型,調節型,整體型(可選防爆) |
電動V型球閥流道的截面形狀及流量特性示意圖:
電動V型球閥流量特性:
|
公稱通徑(mm) |
25 |
50 |
100 |
125 |
150 |
200 |
250 |
300 |
|
流量系數(Kv) |
30 |
90 |
387 |
600 |
965 |
1567 |
2400 |
3900 |
相關產品:氣動V型球閥 電動O型調節球閥 電動O型切斷球閥